Pneumatic stainless steel fluoroplastic butterfly valve
- Pneumatic opposed-type butterfly valve
Generate QR code
-
Worldwide delivery capable
Product description
Introduction
Pneumatic stainless steel fluoroplastic butterfly valve, featuring a 304 stainless steel body and fluoroplastic sealing structure, possesses the properties of high temperature resistance and corrosion resistance. It is easily installed by flange connection, compatible with mainstream specifications of DN80-150. It responds quickly with pneumatic drive and provides precise flow control. It is widely used in industrial sectors such as chemical and metallurgy, and is an economical and high-performance automated fluid control device.
Technical Specifications
| Item | Description |
|---|---|
| Nominal Diameter | DN50-1200 (mm) |
| Nominal Pressure | 0.6-2.5 (MPa) |
| Connection Type | Wafer / Flange |
| Temperature Range | -20~120 (℃) |
| Actuation Mode | Pneumatic |
| Control Mode | Single-acting / Double-acting |
| Valve Body | Ductile iron / WCB/CF8/CF8M |
| Valve Cover | Ductile iron + nylon coating |
| Sphere | 2Cr13 (Martensitic stainless steel) |
| Valve Stem | EPDM, NBR, PTFE |
| Seat Seal | EPDM or NBR |
| Applicable Medium | Water, air, nitrogen, steam, etc. |
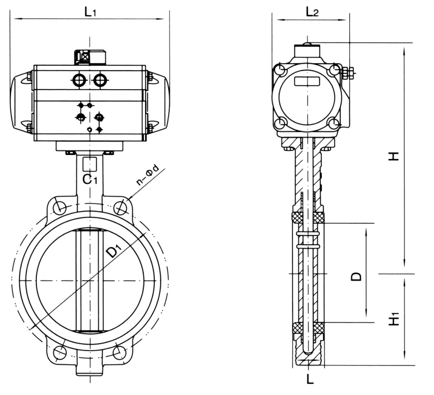
Dimension drawing

Connection dimensions
| Nominal Diameter (DN) | L | L1 | L2 | -H | H1 | D | D1 | n-φd | Actuator Model |
|---|---|---|---|---|---|---|---|---|---|
| 50 | 42 | 111/159 | 71/83 | 269/281 | 68 | 52.9 | 120 | 4-∅23 | AT050D/AT063S |
| 65 | 44.7 | 159/211 | 79/123 | 283/303 | 75 | 64.5 | 136.2 | 4-∅25 | AT063D/AT075S |
| 80 | 45.2 | 159/248 | 83/107 | 289/309 | 93 | 78.8 | 160 | 8-∅18 | AT080D/AT088S |
| 100 | 52.1 | 211/269 | 95/123 | 320/338 | 104 | 10.4 | 185 | 4-∅25 | AT075D/AT100S |
| 125 | 54 | 248/269 | 107/123 | 351/366 | 118 | 123.3 | 215 | 4-∅25 | AT088D/AT100S |
| 150 | 55.8 | 269/345 | 123/152 | 380/405 | 135 | 155.6 | 285 | 4-∅25 | AT100D/AT125S |
| 200 | 60.6 | 345/402 | 159/171 | 435/477 | 163 | 202.5 | 295 | 4-∅25 | AT125D/AT145S |
| 250 | 65.6 | 409/438 | 172/187 | 509/525 | 197 | 250.5 | 355 | 4-∅29 | AT145D/AT160S |
| 300 | 76.5 | 438/550 | 187/215 | 597/622 | 224 | 301.6 | 407 | 4-∅29 | AT160D/AT190S |
| 350 | 75.5 | 550/600 | 215/242 | 653/688 | 267 | 333.3 | 467 | 4-∅30 | AT190D/AT190S |
| 400 | 86.5 | 550/633 | 215/260 | 720/787 | 309 | 389.6 | 515 | 4-∅30 | AT190D/AT240S |
| 450 | 105.6 | 600/633 | 260/262 | 722/658 | 328 | 440.51 | 565 | 4-∅30 | AT210D/AT240S |
| 500 | 131.8 | 633/730 | 262/330 | 867/1004 | 361 | 491.5 | 620 | 4-∅33 | AT240D/AT270S |
| 600 | 152 | 730/1770 | --/-- | 998/1220 | 459 | 592.5 | 725 | 4-∅36 | AT270D/AW25S |
| 700 | 163 | 1320/1970 | --/-- | 1116/1282 | 520 | 695 | 840 | 4-∅36 | AW25/AW28S |
| 800 | 188 | 1430/2700 | --/-- | 1330/1007 | 591 | 794.7 | 950 | 4-∅39 | AW28/AW35S |
Application fields
Agricultural irrigation systems, the flow of small diversion channels in water conservancy projects, the transportation of low-pressure solvents (such as ethanol and acetone) in chemical workshops, purified water in pharmaceutical factories, and the control of auxiliary cooling water pipelines, etc.
After-sales Warranty
Warranty period: 12 months (limited to non-human and non-violation working conditions).
Technical support: 7×24-hour free remote guidance for installation, commissioning, and fault diagnosis.
spare parts supply: Lifelong supply of original factory sealing rings, valve cores, etc., easy-to-wear parts. Respond within 24 hours, and deliver within 48 hours.
Agricultural irrigation systems, the flow of small diversion channels in water conservancy projects, the transportation of low-pressure solvents (such as ethanol and acetone) in chemical workshops, purified water in pharmaceutical factories, and the control of auxiliary cooling water pipelines, etc.
After-sales Warranty
Warranty period: 12 months (limited to non-human and non-violation working conditions).
Technical support: 7×24-hour free remote guidance for installation, commissioning, and fault diagnosis.
spare parts supply: Lifelong supply of original factory sealing rings, valve cores, etc., easy-to-wear parts. Respond within 24 hours, and deliver within 48 hours.